1996-2019年長豐獵豹汽車維修手冊和電路圖[資料更新]

經過整理,1996-2019年長豐獵豹汽車維修手冊和電路圖已經更新至汽修幫手資料庫內,覆蓋市面上99%車型,包括維修手冊、電路圖、新車特征、車身鈑金維修數據、全車拆裝、扭力、發動機大修、發動機正時、保養、電路圖、針腳定義、模塊傳感器、保險絲盒圖解對照表位置等等!

汽修幫手汽車維修資料庫提供各大廠家車型維修手冊、電路圖、新車特征、車身鈑金維修數據、全車拆裝、扭力、發動機大修、發動機正時、保養、電路圖、針腳定義、模塊傳感器、保險絲盒圖解對照表位置等,并長期保持高頻率資料更新!

覆蓋車型:

2019年獵豹CS10維修手冊和電路圖

2018長豐獵豹CS9 EV維修手冊和電路圖

2018年長豐獵豹Mattu維修手冊和電路圖

2018年長豐獵豹C5 EV維修手冊和電路圖

2017年長豐獵豹Q6電路圖

2017年長豐獵豹CS10維修手冊和電路圖

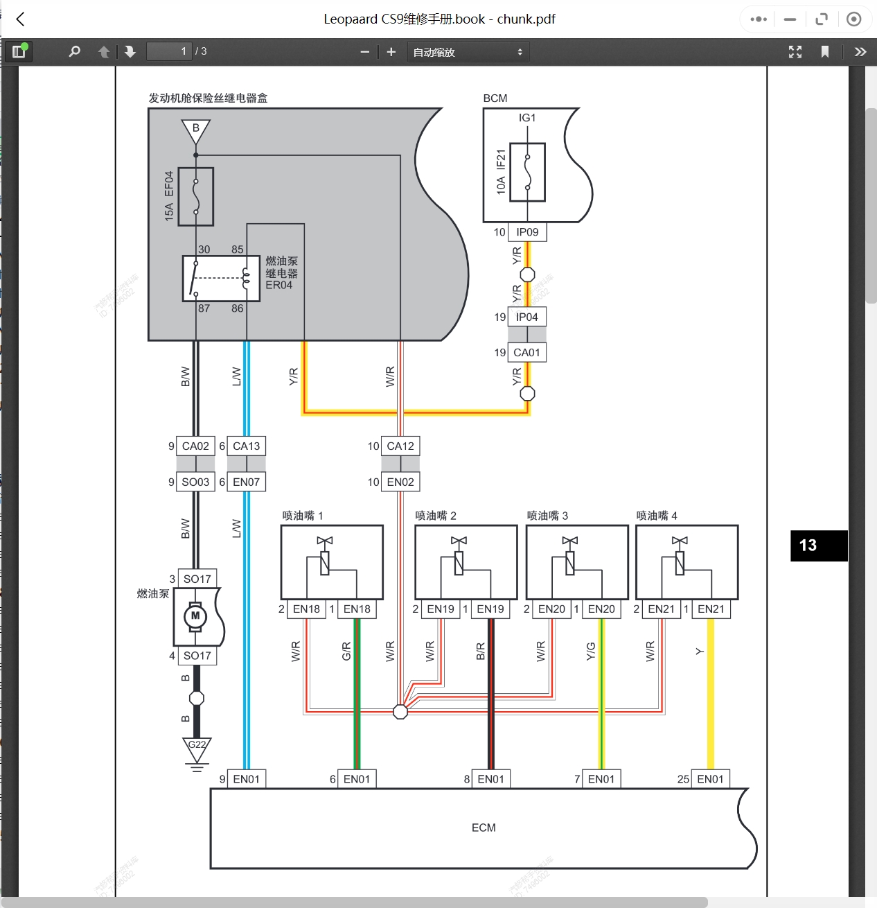
2017-2018年長豐獵豹CS9維修手冊和電路圖

2016年長豐獵豹CT7維修手冊和電路圖

2016年長豐獵豹CS7維修手冊和電路圖

2016年長豐獵豹CS5飛騰維修手冊和電路圖

2015年長豐獵豹Q6維修手冊和電路圖

2014年長豐獵豹CS10維修手冊和電路圖

2013年長豐獵豹黑金剛電路圖

2013年長豐獵豹Q6奇兵維修手冊

2013-2016年長豐獵豹CS6維修手冊和電路圖

2011年長豐獵豹CT5維修手冊和電路圖

2009年長豐獵豹CS7維修手冊和電路圖

2007年長豐獵豹CS6維修手冊和電路圖

2002年長豐獵豹飛騰維修手冊

1996-2005年長豐獵豹維修手冊和電路圖

1996-2019年長豐獵豹汽車維修手冊和電路圖[資料更新]

1996-2019年長豐獵豹汽車維修手冊和電路圖[資料更新]

1996-2019年長豐獵豹汽車維修手冊和電路圖[資料更新]

1996-2019年長豐獵豹汽車維修手冊和電路圖[資料更新]

1996-2019年長豐獵豹汽車維修手冊和電路圖[資料更新]

1996-2019年長豐獵豹汽車維修手冊和電路圖[資料更新]

1996-2019年長豐獵豹汽車維修手冊和電路圖[資料更新]

1996-2019年長豐獵豹汽車維修手冊和電路圖[資料更新]

1996-2019年長豐獵豹汽車維修手冊和電路圖[資料更新]