2015-2024年本田來福CRV艾力紳XRVXNVMNVURV奧德賽飛度繽智維修手冊電路圖資料

資料來源:汽修幫手資料庫小程序

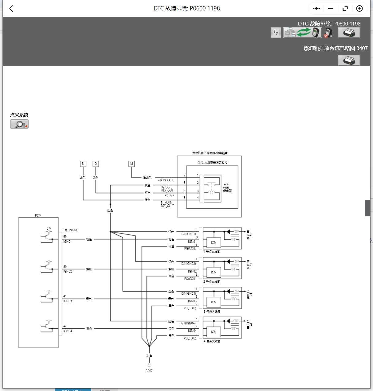
汽修幫手資料庫提供各大廠家車型維修手冊、電路圖、新車特征、車身鈑金維修數據、全車拆裝、扭力、發動機大修、發動機正時、保養、電路圖、針腳定義、模塊傳感器、保險絲盒圖解對照表位置等,并長期保持高頻率資料更新

覆蓋車型:

2024年本田十一代雅閣汽油版維修手冊和電路圖

2023年本田思域混動版維修手冊和電路圖

2023年本田XRV維修手冊和電路圖

2022年本田型格維修手冊和電路圖

2022-2023年本田思域維修手冊和電路圖

2022-2023年本田思域Typer維修手冊和電路圖

2021-2022年本田LIFE來福維修手冊和電路圖 

2021-2022年本田CRV 插混版維修手冊和電路圖 

2020年本田皓影維修手冊和電路圖

2020年本田皓影混動版維修手冊和電路圖

2020-2022年本田飛度維修手冊和電路圖

2020-2022年本田奧德賽混動版維修手冊和電路圖

2020-2022年本田艾力紳維修手冊和電路圖

2020-2022年本田MNV XNV維修手冊和電路圖

2019年本田享域維修手冊和電路圖

2019年本田凌派維修手冊和電路圖

2019-2023年本田雅閣混動版維修手冊和電路圖 

2019-2022年本田雅閣汽油版維修手冊和電路圖

2019-2022年本田享域混動版維修手冊和電路圖

2018年本田URV維修手冊和電路圖

2017-2022年本田CRV 汽油版維修手冊和電路圖

2017-2022年本田CRV 混動版維修手冊和電路圖

2016-2022本田思域十代維修手冊和電路圖

2016-2019年本田艾力紳維修手冊和電路圖

2016-2017年本田哥瑞維修手冊和電路圖

2015-2021年本田XRV維修手冊和電路圖

2015-2020年本田冠道維修手冊和電路圖

2015-2020年本田鋒范維修手冊和電路圖

2015-2020年本田飛度維修手冊和電路圖

2015-2020年本田繽智維修手冊和電路圖

2015-2020年本田奧德賽維修手冊和電路圖

2015-2017年本田思鉑睿維修手冊和電路圖

2014-2018年本田雅閣維修手冊和電路圖

2014-2018年本田凌派維修手冊和電路圖

2014-2018年本田杰德維修手冊和電路圖

2019-2022年本田英詩派汽油版維修手冊和電路圖

2019-2022年本田英詩派混動版維修手冊和電路圖

2015-2024年本田來福CRV艾力紳XRVXNVMNVURV奧德賽飛度繽智維修手冊電路圖資料

2015-2024年本田來福CRV艾力紳XRVXNVMNVURV奧德賽飛度繽智維修手冊電路圖資料

2015-2024年本田來福CRV艾力紳XRVXNVMNVURV奧德賽飛度繽智維修手冊電路圖資料

2015-2024年本田來福CRV艾力紳XRVXNVMNVURV奧德賽飛度繽智維修手冊電路圖資料

2015-2024年本田來福CRV艾力紳XRVXNVMNVURV奧德賽飛度繽智維修手冊電路圖資料

2015-2024年本田來福CRV艾力紳XRVXNVMNVURV奧德賽飛度繽智維修手冊電路圖資料

2015-2024年本田來福CRV艾力紳XRVXNVMNVURV奧德賽飛度繽智維修手冊電路圖資料

2015-2024年本田來福CRV艾力紳XRVXNVMNVURV奧德賽飛度繽智維修手冊電路圖資料

2015-2024年本田來福CRV艾力紳XRVXNVMNVURV奧德賽飛度繽智維修手冊電路圖資料