2024年極氪007 2013年豐田銳志 創維EV6 豐田凌尚維修手冊電路圖
汽修幫手資料庫提供各大廠家車型維修手冊、電路圖、新車特征、車身鈑金維修數據、全車拆裝、扭力、發動機大修、發動機正時、保養、電路圖、針腳定義、模塊傳感器、保險絲盒圖解對照表位置等,并長期保持高頻率資料更新
此次更新車型:
2024年五菱云海維修手冊和電路圖
2024年五菱星光S維修手冊和電路圖
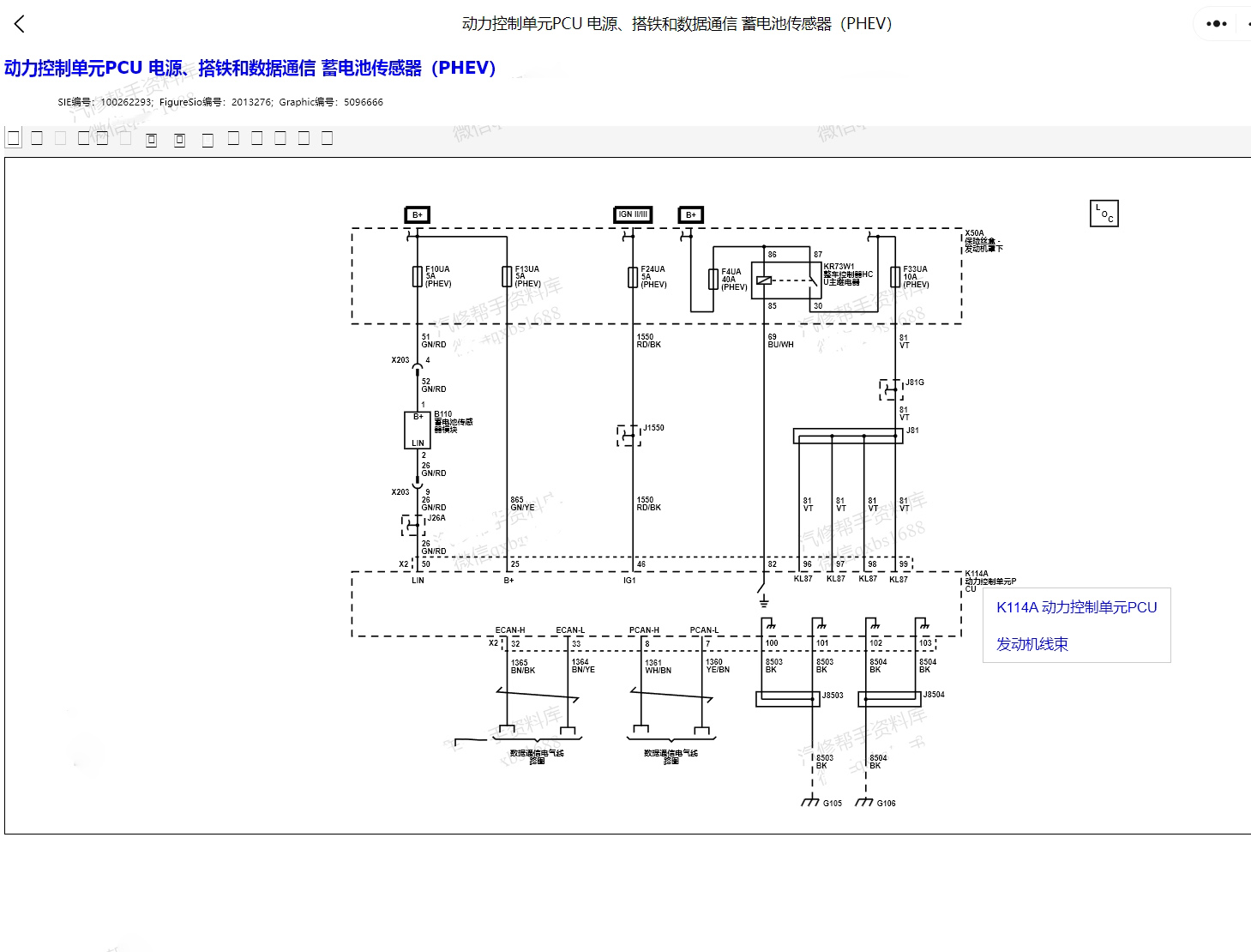
2024年極氪007維修手冊
2022-2023年豐田紅杉混動版維修手冊和電路圖
2021年哈弗H6國潮版維修手冊和電路圖
2021-2024年豐田皇冠陸放維修手冊和電路圖
2021-2023年豐田坦途維修手冊和電路圖
2019年啟辰T70維修手冊和電路圖
2019-2023年豐田凌尚維修手冊和電路圖
2018年漢騰X5電路圖
2015-2021年豐田紅杉維修手冊和電路圖
2015-2020年豐田坦途維修手冊和電路圖
2013年豐田銳志電路圖
創維EV6電路圖
往期更新車型:
2015-2019年豐田埃爾法汽油版維修手冊和電路圖
2015-2021年豐田埃爾法混動維修手冊和電路圖
2023年豐田埃爾法維修手冊和電路圖
"2015-2019年豐田威爾法汽油版維修手冊和電路圖 "
2015-2021年豐田威爾法混動版維修手冊和電路圖
"2023年豐田威爾法維修手冊和電路圖 "
2009-2015年福特蒙迪歐致勝維修手冊和電路圖
2014-2019年豐田酷路澤維修手冊和電路圖
2014-2019年豐田酷路澤(進口)維修手冊和電路圖
2022年豐田凌放維修手冊和電路圖
2015-2022年豐田普拉多維修手冊和電路圖
2010-2018年豐田普拉多維修手冊和電路圖
2009-2012年福特麥柯斯 S-MAX維修手冊和電路圖
2011年福特銳界維修手冊和電路圖
2011-2016年福特經典福克斯維修手冊和電路圖
"2012年福特銳界維修手冊和電路圖 "
東風股份EV350維修手冊
T15純電動小輕卡系列維修手冊
俊風E11K維修手冊
2008-2010年日產天籟維修手冊和電路圖
2011-2013年日產天籟維修手冊和電路圖
2013-2020年豐田致炫維修手冊和電路圖
2013-2020年豐田威馳維修手冊和電路圖
2019-2022年豐田亞洲龍維修手冊和電路圖
2015-2019年豐田普銳斯維修手冊和電路圖
2012-2015年福特新福克斯維修手冊和電路圖
2003年福特E150維修手冊
2003年福特E250維修手冊和電路圖
2003年福特F150維修手冊和電路圖
2003年福特F250維修手冊
2003年林肯飛行家維修手冊和電路圖
2003年林肯領航員維修手冊和電路圖
2003年福特野馬維修手冊和電路圖
2004年林肯飛行家維修手冊和電路圖
2019-2022年豐田卡羅拉E+維修手冊和電路圖
2019-2022年豐田雷凌E+維修手冊和電路圖
2004年福特F150維修手冊和電路圖
2007-2014年豐田普瑞維亞電路圖
2004年福特F650維修手冊
2003年福特F350維修手冊
2003年福特E550維修手冊和電路圖
2003年福特E450維修手冊和電路圖
2003年福特E350維修手冊和電路圖
2004年福特F250維修手冊
2004年福特F350維修手冊
2004年福特F450維修手冊
2004年福特F550維修手冊
2004年福特F750維修手冊和電路圖
2015-2023年豐田海拉克斯維修手冊和電路圖
2007-2016年豐田酷路澤電路圖
2007-2016年豐田酷路澤(進口)電路圖
2014年豐田酷路澤LC70維修手冊和電路圖
2009-2016年豐田4Runner維修手冊和電路圖
2015-2023年豐田穿越者維修手冊和電路圖
2015-2019年豐田塞納維修手冊和電路圖
2013-2020年雷克薩斯CT200H維修手冊和電路圖
2012-2014年雷克薩斯ES250 ES350電路圖
2012-2017年雷克薩斯ES300h維修手冊和電路圖
2015-2017年雷克薩斯ES250 ES300 ES350維修手冊和電路圖
2018-2021年雷克薩斯ES全系列維修手冊和電路圖
"2020-2024年小鵬P7 2WD維修手冊和電路圖 "
2019年小鵬G3維修手冊和電路圖
2012-2014年雷克薩斯GS250 GS350電路圖
"2012-2014年雷克薩斯GS300h GS450h電路圖 "
2015-2017年雷克薩斯GS300h GS450h維修手冊和電路圖
2015-2019年雷克薩斯GS200 GS300 GS350維修手冊和電路圖
"2020-2024年小鵬P7 4WD維修手冊和電路圖 "
2020年小鵬G3維修手冊和電路圖
"2021年小鵬G3維修手冊和電路圖 "
2022年東風納米BOX維修手冊和電路圖
2022年東風納米EX1 PRO維修手冊和電路圖
2019年啟辰D60維修手冊和電路圖
2020年啟辰D60維修手冊和電路圖
2022年啟辰D60 EV維修手冊和電路圖
2023年啟辰D60 PLUS維修手冊和電路圖
2024年智界S7維修手冊和電路圖
2021年小鵬G3i維修手冊和電路圖
2023年小鵬G3i維修手冊和電路圖
2024年福特野馬維修手冊和電路圖
2022年小鵬P5維修手冊和電路圖
2005年林肯飛行家維修手冊和電路圖
2005年福特F150維修手冊和電路圖






